
Gore prikazan uređaj je točnije odvojni transformator i autotransformator namijenjen za regulaciju izmjeničnog napona uz dodatnu zaštitu galvanskog odvajanja, što ga čini vrlo korisnim uređajem za ispitivanje i servisiranje. U nastavku teksta više o izradi i primjeni.
Continue Reading
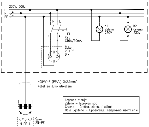
Koristan dodatak za povećanje sigurnosti je FID sklopka na produžnom kabelu već opisana na ovim stranicama. Više možete pročitati ovdje, ali sve to vrijedi ako je FID sklopka ispravno spojena. Većina sklopki neće odraditi ako se zamijeni polaritet zaštitne sklopke. U razvodnom ormaru se to neće nikada dogoditi, ali ako je FID sklopka prenosiva na produžnom kabelu vrlo lako se može dogoditi da se zamijene L i N vodovi jednostavnim okretanjem utikača. Na shemi ispod dano je rješenje za upozorenje na neispravan spoj zaštitne sklopke, odnosno obrnuti polaritet napojnih vodova.

Continue Reading

U nastavku teksta pronađite opis izrade uređaja za mjerenje napona s niskom impedancijom. Poništava inducirani napon u kabelima koji je dosta problematičan u industrijskim mjerenjima a sve češće i u kućnim električnim instalacijama. Često se taj napon naziva „duh“ napon, a u stranoj literaturi: engl. Ghost voltage i Stray voltage. Proizvođači kvalitetne mjerene opreme imaju u prodaji ovakve uređaje, postoje i instrumenti koji su tvornički opremljeni ovakvim adapterima uglavnom pod oznakom LoZ. (Lo = low ili u prijevodu niska, Z = impedancija)
Continue Reading

U kućnoj automatici do nedavno nije bilo u ponudi Z-Wave modula za ugradnju na DIN šinu. Iz tog razloga improvizacija je bilo jedino rješenje a jednu od njih pogledajte u nastavku teksta.
Continue Reading