Elektro Tehnički Portal

LED

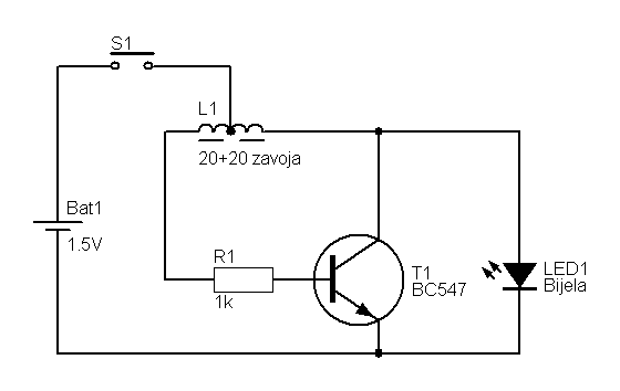
1.5V driver za bijelu LED

Ova shema ukratko predstavlja driver za bijelu LED diodu. Napon baterije diže na potrebnih 3.5V potrebnih za rad bijele LED diode. Ona svijetli dok napon na bateriji ne padne ispod cca 0.6V, tako da skoro možete koristit „prazne“ baterije jer većina uređaja ne radi ispod 1V.
Sve komponente su dobro poznate i nećete imati problema s nabavkom istih, jedino je zavojnica problematična i s njom će te morati eksperimentirati dok ne pogodite pravi omjer.
Za početak nabavite neku vrstu feritne jezgre na koju će te namotati zavojnicu. Oblik i veličina nisu kritični. Zatim na njega namotajte 20 navoja žice, napravite izvod na sredini i nastavite u istom smjeru te namotajte još 20 zavoja.
Ja sam namotao zavojnicu na toroidnu feritnu jezgru izvađenu iz stare štedne žarulje koje je pregorila. Jezgra je veličine kovanice od 50 lipa, koristio sam žicu koja je već bila na zavojnici. 

Integrirani 1.5V LED driver

Shema prikazuje primjenu namjenskog IC-a PR4401 za upravljanje bijelom LED-icom. Radi se o pretvaraču koji sa samo jednom komponentom (zavojnicom L1) diže napon baterije sa 1,5V na 3,6V potrebnih za rad bijele LED-ice. Struja kroz LED se regulira odabirom induktiviteta prema dolje danoj tablici. Napon napajanja ili baterije može biti od 0,9 – 1,5V.

 

Induktivitet Izlazna struja
47 μH 6,5 mA
32 μH 8,3 mA
26,7 μH 10,8 mA
22 μH 11 mA
14,7 μH 14 mA
10 μH 22 mA

 

LED dioda na 230V v1

Shema prikazuje jednu od verzija kako LEDicu spojiti na 230V. Umjesto otpornika koji ograničava struju kroz LED koristi se reaktancija kondenzatora. Prednost ove metode je u tome što nema toplinskih gubitaka kao na otporniku. Dioda D1 štiti LED od previsokog napona suprotnog polariteta. Napon kondenzatora treba biti otprilike 2x veći od napona napajanja. Vrijednost kondenzatora se može izračunati prema sljedećoj formuli:
C= I / 6.28 x U x f
C= kapacitet [F]
U= napon [V]
f= frekvencija [Hz]
I= struja kroz LED [A]

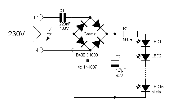
LED dioda na 230V v2

Shema prikazuje kako spojiti LED na 230V. Kondenzator C1 služi kao limitator struje na 10,8mA. Može se zamijeniti s otpornikom koji bi ograničio struju na istu vrijednost, ali ovo je bolja opcija. Otpornik će se nepotrebno zagrijavati a na kondenzatoru su gubitci zanemarivi. Grec služi za ispravljanje napona i omogućava LEDici da svijetli u obe poluperiode izmjeničnog napona. Na taj način nema treperenja od 50Hz.

LED indikator protoka struje

Shema prikazuje izvedbu vrlo jednostavnog indikatora da je neko trošilo uključeno ili bolje indikatora koji pokazuje da teče struja a ne samo da postoji napon na trošilu. Princip rada je jako jednostavan, istosmjerna ili izmjenična struja koja teče kroz diode stvara na njima pad napona koji je dovoljan da zasvijetli LEDica. Pošto se radi o jako malom padu napona koristiti crvene LEDice sa što manjom strujom prorade. Ova shema se može koristiti za bilo koji napon samo pazite da dobro dimenzionirate diode ili gretz. Uzmite barem 2x jače diode od nazivne struje koja teče strujnim krugom. Posebno budite oprezni ako koristite ovu shemu na naponu 230V, sve dobro izolirajte i smjestite u plastičnu kutijicu da se zaštitite od dodirnog mrežnog napona.

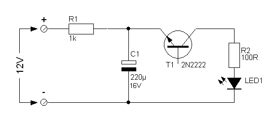
LED treptač na 12V

Shema prikazuje jednostavan treptač s LED diodom. Radi na naponu od 12V. Promjenom kondenzatora C1 može se utjecati na učestalost treptanja.

LED treptač na 230V

Shema prikazuje jednostavan treptač s LED diodom za napon 230V. Princip rada je vrlo jednostavan. Kondenzator C1 se puni preko R1 i D1, kada napon dosegne vrijednost od 30V diak provede i kondenzator C1 se isprazni kroz LED diodu i otpornik R2. Kondenzator mora biti minimalno za napon od 40V. Brzinu treperenja LED1 možete mijenjati promjenom vrijednosti kondenzatora C1 i otpornika R1.

LED žarulja na 230V

Shema prikazuje elektroniku koja se nalazi u LED žaruljama na 230V. Princip rada je prilično jednostavan. C1 svojom reaktancijom spušta napon i ograničava struju na nekih 12mA. Greatz ispravlja napon u istosmjerni. C2 ublažava struju kod paljenja da ne ošteti LEDice i drži radni napon LEDica na normalnoj razini kad je napon mreže manji od te vrijednosti. R1 služi da struja kroz LEDice bude što konstantnija kao i svjetlost koju proizvode.

ON - OFF indikator za 230V

 

Uređaj je namijenjen za indikaciju stanja nekog uređaja ili bolje rečeno sklopke S1. Znači kada je S1 otvorena ili uređaj ugašen upaljena je zelena LED1, a kada je zatvorena ili uređaj radi upaljena je crvena LED2.
Princip rada se temelji na tome da sklopka S1 kada se zatvori, tranzistor T1 dovede u zasićenje i kratko spaja odnosno gasi LED1.
Sklopka S1 mora biti predviđena za napon od 230V i mora podnositi struje trošila kojim upravlja!!

Svjetiljka na navijanje

 

 

Sigurno u nekoj ladici imate spremljenu baterijsku svjetiljku i kad iz nekog razloga nestane struje i posegnete za njom, ona naravno ne radi zato što je baterija ispražnjena. Da vam se to ne desi rješenje je da napravite svjetiljku sa vlastitim izvorom napajanja opisanu u ovom članku.

Usporedba žarulja prema snazi i svjetlosnom toku

U tablici ispod možete naći podatke koji pokazuju prednost LED i štednih žarulja u usporedbi sa običnim žaruljama sa žarnom niti. Iz tablice se vidi potrebna snaga odabrane žarulje za željeni svjetlosni tok.

 

Svjetlosni tok
(lm)

Obična žarulja sa
žarnom niti
(W)

Štedna ili fluokompaktna
žarulja
(W)

LED Žarulja
(W)

 
220 25 5 - 7 2 - 3
450 40 8 - 12 4 - 5
890 60 13 - 18 6 - 8
1210 75 18 - 22 9 - 13
1750 100 23 - 30 16 - 20
2780 150 30 - 55 25 - 28