Elektro Tehnički Portal

Treptač

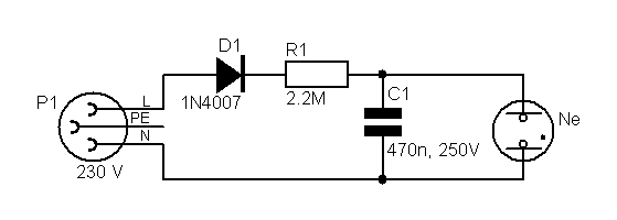
Princip rada je sljedeći. Mrežni napon se poluvalno ispravlja pomoću diode D1, struja teče kroz otpornik R1 i polako puni kondenzator C1. Sve dok je napon na kondenzatoru manji od probojnog napona tinjalice (cca 80V) ona ne svijetli, kad ga pređe tinjalica provede i struja proteče kroz nju što rezultira kratkotrajnim bljeskom. Nakon toga ciklus kreće iz početka.

Tags: shema