Interval timer

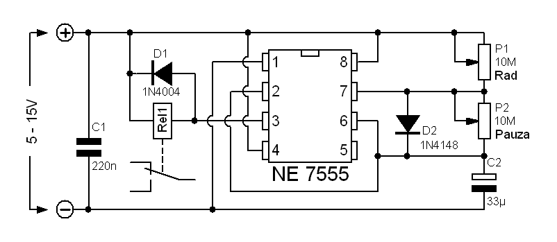
Shema prikazuje jednostavan timer kojem se može podesit vrijeme za koje je uključen relej i vrijeme za koje je isključen relej pomoću potenciometara P1 i P2. Princip rada je sljedeći: Kondenzator C2 se puni preko potenciometra P1 i diode D2. Za to vrijeme je relej uključen. Drugi dio ciklusa, kada je relej ugašen, kondenzator C2 se prazni preko potenciometra P2.
Pri naponu od 12V i danim vrijednostima komponenti maksimalno vrijeme zadrške je oko 5min. Ako vam trebaju druge vrijednosti promijenite lanac komponenti P1-P2-C2.